Aunque la industria del automóvil camina decididamente hacia la electrificación, los fabricantes siguen trabajando en soluciones para mejorar el rendimiento y la eficiencia de los motores de combustión interna. Es el caso de Porsche y su turbo eléctrico que promete menos ‘lag’ y más eficiencia.
Tras dos años y 80.000 kilómetros, Chris Harris piensa que su Porsche 911 GT3 Touring es perfecto
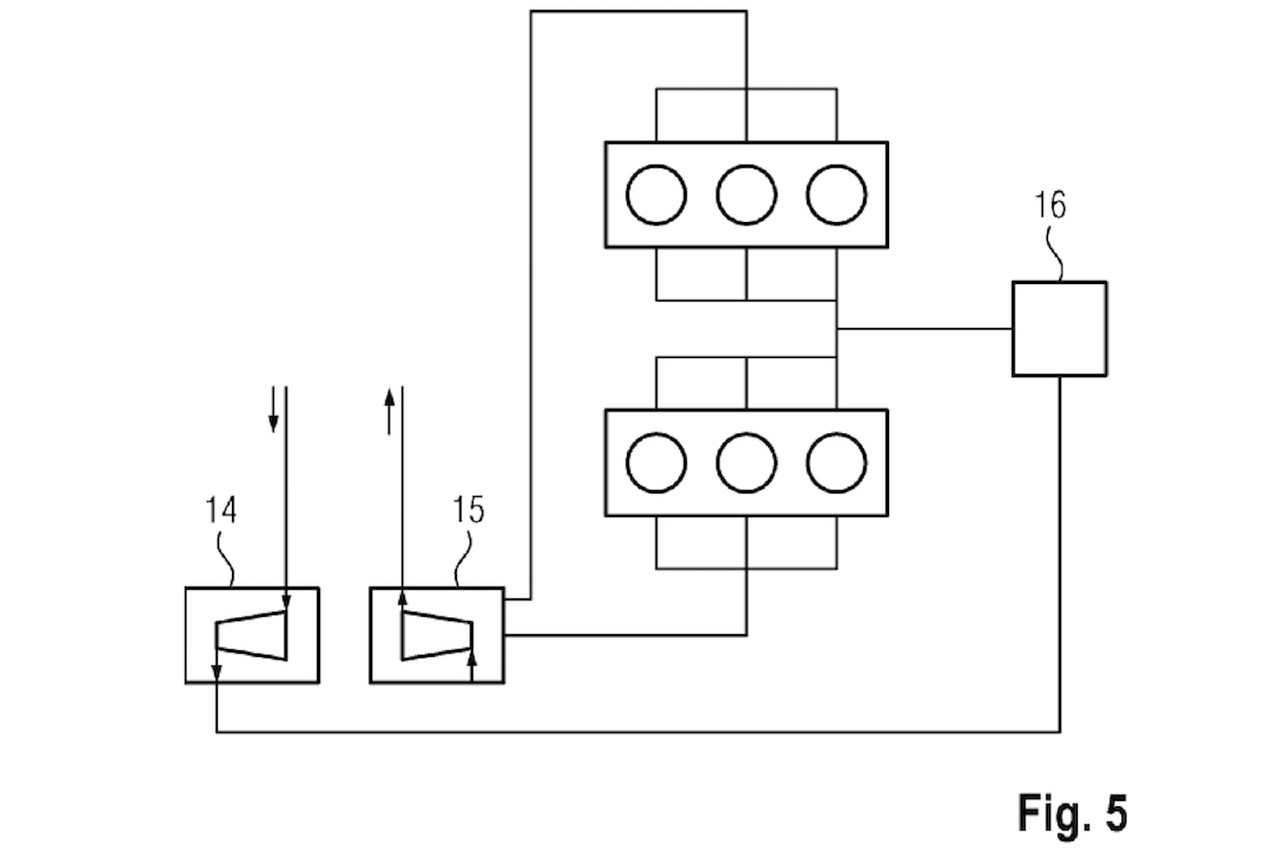
Según informa CarBuzz, Porsche ha patentado un nuevo turbocompresor eléctrico que promete mejorar mucho el rendimiento de los motores. Esta tecnología ha tardado en llegar a la industria porque los sistemas eléctricos no han conocido un desarrollo importante hasta hace pocos años.
Porsche patenta un turbo eléctrico

La patente se inspira en una configuración tradicional de doble turbo, donde se utilizan dos turbos más pequeños para una respuesta más rápida, especialmente a bajas vueltas. Hay dos pequeñas turbinas que funcionan de manera independiente, sin conexión mecánica a un compresor. En su lugar, esas turbinas responden a los generadores de energía.
Un único compresor grande se utiliza en la toma, alimentado por un motor. El diseño también cuenta con una válvula para permitir que el escape fluya más allá de las turbinas de escape cuando no se necesita energía, lo que permite una mayor eficiencia cuando se circula.
Menos retraso del turbo

Esta configuración permite separar la velocidad de rotación del compresor de la velocidad de las propias turbinas, lo que significa que el impulso se puede producir en cualquier régimen, siempre y cuando la energía eléctrica esté disponible. De esta forma, se elimina el retraso en la entrada del turbo, el famoso ‘lag’.
Este sistema permite el uso de un compresor grande y de mayor caudal para una mayor eficiencia, sin el habitual retraso en la respuesta. Normalmente, cuanto más grande es el compresor, más lentos son y necesita un mayor flujo de aire para ganar velocidad, lo que significa que el impulso no aumenta hasta que alcanza un mayor régimen de giro.
Se trata de una interesante innovación que podríamos ver en los modelos de Porsche dentro de unos años o, simplemente, una patente más como muchas otras que registran los fabricantes. Pero no cabe duda de que podría constituir el camino para los últimos modelos de combustión de la marca de Stuttgart, antes de su conversión total en marca eléctrica.






